Доводчик Armadillo (Армадилло) дверной морозостойкий LY3000 (LY3) Brown 65 кг (коричневый)
Артикул: 29857
Увеличить
Описание
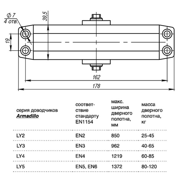
Доводчик дверной морозостойкий LY3 предназначен для установки на все стандартные двери массой от 40 до 65 кг, шириной до 962 мм. Подходит для левых и правых дверей. Температурный режим работы от -40 до +45 °С. В комплектацию входит: дверной доводчик, рычаг, декоративная заглушка, комплект крепежа, инструкция, шаблон монтажа. Цвет: коричневый.
Характеристики
Модель
LY3
Производитель
ARMADILLO
Серия
LY
Гарантия
1 год
Вес двери
До 65 кг
Тип дверей
Для дверей любого типа
Страна
Китай
Толщина двери
Для любой толщины двери
Группа
Дверные гидравлические доводчики
Подгруппа
с рычажной тягой
Подгруппа2
LY
Подгруппа3
LY3
Тип упаковки
Коробка
Способ установки
На дверь, на коробку, параллельно с монтажной пластиной
Кол-во в складской упаковке
10
Цвет основной
Коричневый
Цвет
коричневый
Материал
алюминий








