Корпус Armadillo (Армадилло) врезного замка c защёлкой METLH25-50 Box (LH 25-50) GP золото
Артикул: 28389
Увеличить
Описание
В комплект входит: замок, ответная планка, декоративная заглушка, комплект крепежа. Материал корпуса: сталь, материал планки и язычка: ZAMAK. Гарантия 5 лет.
Характеристики
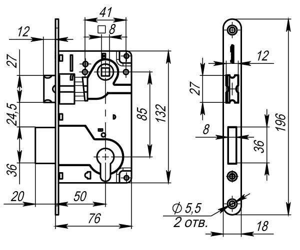
Модель
LH 25-50
Производитель
ARMADILLO
Серия
LH 25
Гарантия
5 лет
Вес двери
Не имеет значения
Тип дверей
Для деревянных, металлических дверей
Страна
Китай
Толщина двери
Для любой толщины двери
Группа
Замки врезные
Подгруппа
для легких дверей
Подгруппа2
LH 25
Подгруппа3
LH 25-50
Тип упаковки
Коробка
Способ установки
Врезной
Межосевое расстояние
85 мм
Вылет ригеля
20 мм
Класс безопасности
нет
Тип механизма секретности
Цилиндровый
Бэксет (удаление ключевого отверстия)
50 мм
Размер ригеля
нет
Количество ригелей
2
Тип замка
С защелкой под ручку
Отверстия под стяжки
Да
Кол-во в складской упаковке
50
Цвет основной
Золото (латунь)
Материал ключа
Нет
Количество ключей
Нет
Цвет
Золото
Материал
ZAMAK/Сталь








