Корпус Fuaro (Фуаро) врезного замка c защёлкой PLASTP85C-50 (P85C-50) SN матовый никель
Артикул: 33631
Увеличить
Описание
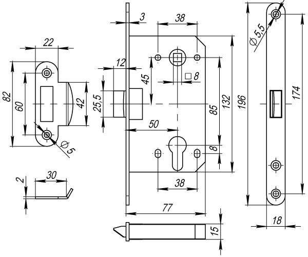
Корпус врезного замка Fuaro P85C серии PLASTIC с пластиковым механизмом изготовлен в соответствии с требованиями ГОСТ 5089-2003. Предназначен для установки в деревянные межкомнатные двери. Легкая смена направления язычка защелки, подходит для дверей левого и правого открывания. Корпус выполнен из стали с надежным гальваническим покрытием. Ударопрочный пластиковый механизм обеспечивает бесшумность работы защелки. Защелка P85C с усиленной пружиной имеет высший 4 класс надежности (250 000 циклов открывания/закрывания). Отверстия под стяжные винты находятся на расстоянии 38 мм. Размер бэксета - 50 мм. Размер межосевого расстояния - 85 мм. Возможна установка дверных ручек на стяжные винты для более прочного крепления. Цвет: матовый никель. В комплектацию входят: ответная планка и крепежная фурнитура в цвет изделия.
Характеристики
Модель
P85C-50
Производитель
FUARO
Серия
P85C
Гарантия
1 год
Вес двери
Не имеет значения
Тип дверей
Для деревянных дверей
Страна
Китай
Количество комбинаций
Нет
Толщина двери
Для любой толщины двери
Группа
Замки врезные
Подгруппа
для легких дверей
Подгруппа2
P85C
Подгруппа3
P85C-50
Тип упаковки
Коробка
Способ установки
Врезной
Межосевое расстояние
85 мм
Вылет ригеля
12 мм
Материал цилиндра
Нет
Класс безопасности
2
Тип механизма секретности
Цилиндровый
Бэксет (удаление ключевого отверстия)
50 мм
Размер ригеля
25 мм
Количество ригелей
1
Наличие лицевой планки
Есть
Наличие выводов для тяг
Нет
Тип замка
С защелкой под ручку
Отверстия под стяжки
Да
Задвижка
Нет
Кол-во в складской упаковке
50
Цвет основной
матовый никель
Материал ключа
Нет (корпус замка)
Количество ключей
Нет
Цвет
матовый никель
Материал
сталь








