Корпус Kale kilit (Кале килит) узкопрофильного замка с защёлкой 153 (25 mm) w/b (никель)
Артикул: 10230
Увеличить
Описание
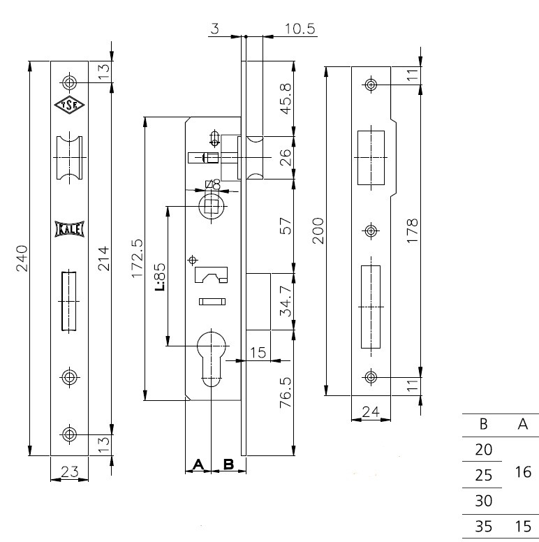
Корпус замка врезного цилиндрового 153 предназначен для узкопрофильных дверей. Корпус выполнен из оцинкованной стали, ригель из цинкового сплава, защелка из латуни. Ширина планки - 23 мм. Бэксет - 25 мм. Цвет: никель. Цилиндр в комплект не входит.
Характеристики
Модель
153
Производитель
KALE KILIT
Серия
153
Гарантия
5 лет
Вес двери
Не имеет значения
Тип дверей
Для профильных дверей
Страна
Турция
Количество комбинаций
-
Толщина двери
От 30 мм
Группа
Замки врезные
Подгруппа
для профильных дверей
Подгруппа2
153
Подгруппа3
153
Тип упаковки
Коробка
Способ установки
Врезной
Межосевое расстояние
85 мм
Ширина планки
23 мм
Материал цилиндра
-
Класс безопасности
2
Тип механизма секретности
Цилиндровый
Бэксет (удаление ключевого отверстия)
25 мм
Наличие лицевой планки
С планкой
Тип замка
С защелкой под ручку
Тип ригеля
0 л
Материал защелки
Латунь
Кол-во в складской упаковке
30
Цвет основной
хром
Количество ключей
-
Цвет
хром
Материал
сталь








