Корпус Kale kilit (Кале килит) врезного замка 189/3M (45 mm) w/b (латунь)
Артикул: 1085
Увеличить
Описание
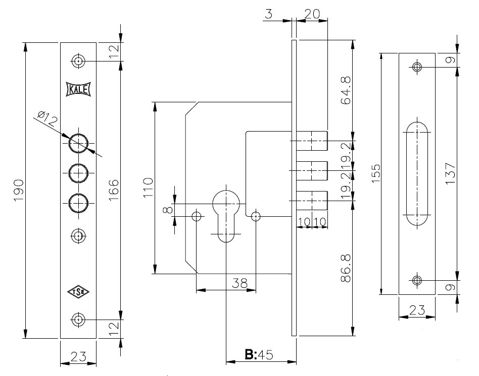
Корпус замка 3 ригеля . Расстояние от планки до центра цилиндра 45мм.
Характеристики
Модель
189/3M
Производитель
KALE KILIT
Серия
189
Гарантия
5 лет
Вес двери
Не имеет значения
Тип дверей
Для легких дверей
Страна
Турция
Количество комбинаций
нет (корпус замка)
Толщина двери
От 30 мм
Группа
Замки врезные
Подгруппа
для легких дверей
Подгруппа2
189
Подгруппа3
189/3M
Тип упаковки
Коробка
Способ установки
Врезной
Межосевое расстояние
-
Вылет ригеля
20 мм
Материал цилиндра
-
Класс безопасности
2
Тип механизма секретности
Цилиндровый
Бэксет (удаление ключевого отверстия)
45 мм
Размер ригеля
12 мм
Количество ригелей
3
Наличие лицевой планки
С планкой
Наличие выводов для тяг
-
Длина ключа
-
Тип замка
Без защелки
Отверстия под стяжки
Нет
Тип защелки
-
Задвижка
-
Защита от копирования ключа
0 м
Кол-во в складской упаковке
30
Цвет основной
Золото (латунь)
Материал ключа
-
Количество ключей
-
Цвет
латунь
Материал
сталь








