Корпус Sam (Сам) врезного замка ЗВ1-2БМ/11 /89600/
Артикул: 38531
Увеличить
Описание
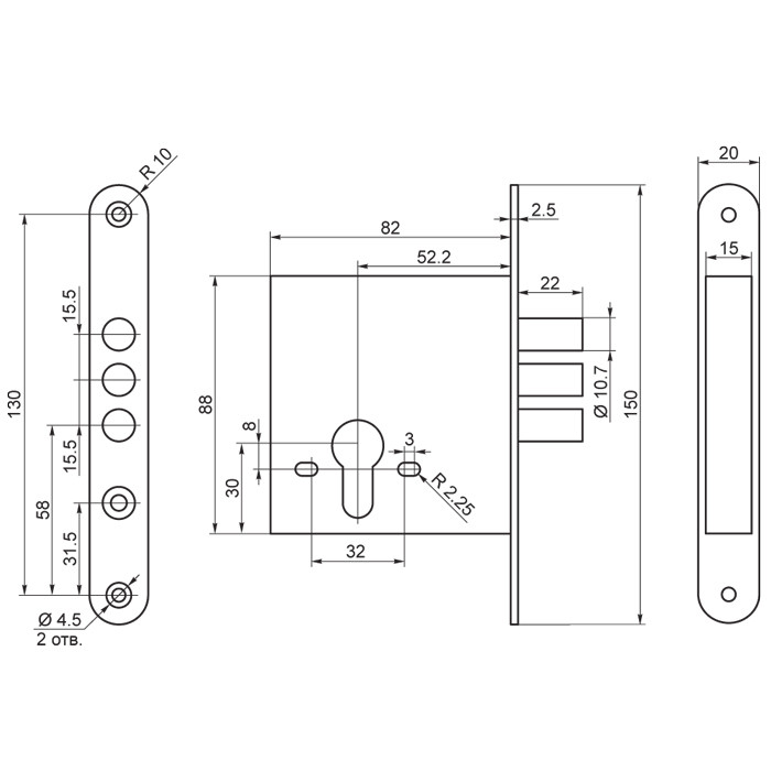
Корпус врезного замка ЗВ1-2БМ/11 подходит для установки в металлические, деревянные двери. Цвет никель. Ригели замка выдвигаются на два полных оборота. В комплектации накладки и ответная планка. Есть отверстия для установки защитной бронепластины.
Характеристики
Модель
ЗВ1-2/11
Производитель
САМ
Серия
ЗВ1
Гарантия
2 года
Вес двери
Не имеет значения
Тип дверей
Для легких дверей
Страна
Россия
Количество комбинаций
нет (корпус замка)
Толщина двери
40-50 мм
Группа
Замки врезные
Подгруппа
для легких дверей
Подгруппа2
ЗВ1
Подгруппа3
ЗВ1-2/11
Тип упаковки
Пакет
Способ установки
Врезной
Межосевое расстояние
-
Вылет ригеля
22 мм
Материал цилиндра
-
Класс безопасности
2
Тип механизма секретности
Цилиндровый
Бэксет (удаление ключевого отверстия)
52,2 мм
Размер ригеля
10,7 мм
Количество ригелей
3
Наличие лицевой планки
С планкой
Наличие выводов для тяг
-
Длина ключа
-
Тип замка
Без защелки
Отверстия под стяжки
Нет
Тип защелки
-
Задвижка
-
Защита от копирования ключа
0 м
Кол-во в складской упаковке
20
Цвет основной
никель
Цвет
никель
Материал
сталь
Материал ключа
-
Количество ключей
-






