Магнитная Armadillo (Армадилло) защелка WC с ответной планкой GRAVITY G01.190.50.96 MWSC итальянский тисненый
Артикул: 44199
Увеличить
Описание
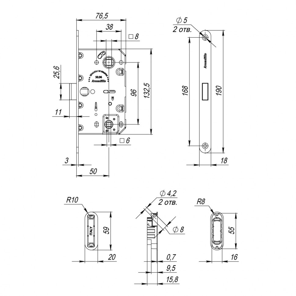
Магнитные защёлки Armadillo GRAVITY - продукт совместной работы российских и итальянских производителей.Бесшумность работы достигается за счет магнитного механизма, срабатывающего только при закрывании. В остальное время защёлка утоплена в полотно. Такая конструкция делает торец более эстетичным и продлевает срок службы самого изделия.Оригинальные итальянские неодимовые магниты препятствуют преждевременному размагничиванию.Полностью гальванизированный корпус защищает от образования коррозии.Уникальный метод полировки лицевой планки гарантирует идеально ровные торцы.Форма ответной планки со скошенными краями обеспечивает отличное сцепление и плавное закрывание.Доступны два размера планки: 190 и 196 ммСаморезы в цвет планки подчеркивают эстетичный вид.Предназначены для установки на деревянные, межкомнатные и сантехнические двери левого и правого открывания с толщиной полотна от 35 мм.Защелки прошли испытания и имеют высший 4 класс надежности (250 000 циклов открывания/закрывания)Гарантия 10 лет.
Характеристики
Модель
GRAVITY G01.190
Производитель
ARMADILLO
Серия
GRAVITY
Гарантия
10 лет
Вес двери
Не имеет значения
Тип дверей
Для деревянных, металлических дверей
Страна
Россия
Толщина двери
35 мм
Группа
Защелки
Подгруппа
без ручек в комплекте
Подгруппа2
GRAVITY
Подгруппа3
GRAVITY G01.190
Тип упаковки
Коробка
Способ установки
Врезной
Бэксет (удаление ключевого отверстия)
50 мм
Тип защелки
Универсальная, классическая
Материал защелки
Магнитная защелка
Кол-во в складской упаковке
30
Цвет основной
итальянский тисненый
Цвет
итальянский тисненый
Материал
сталь








